- SOLARWATT Battery & Inverter vision
- Planning
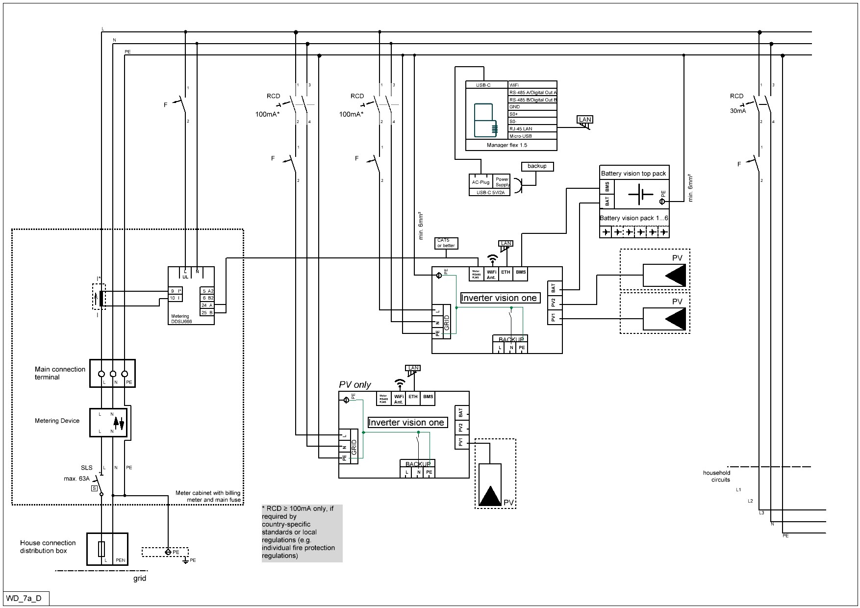
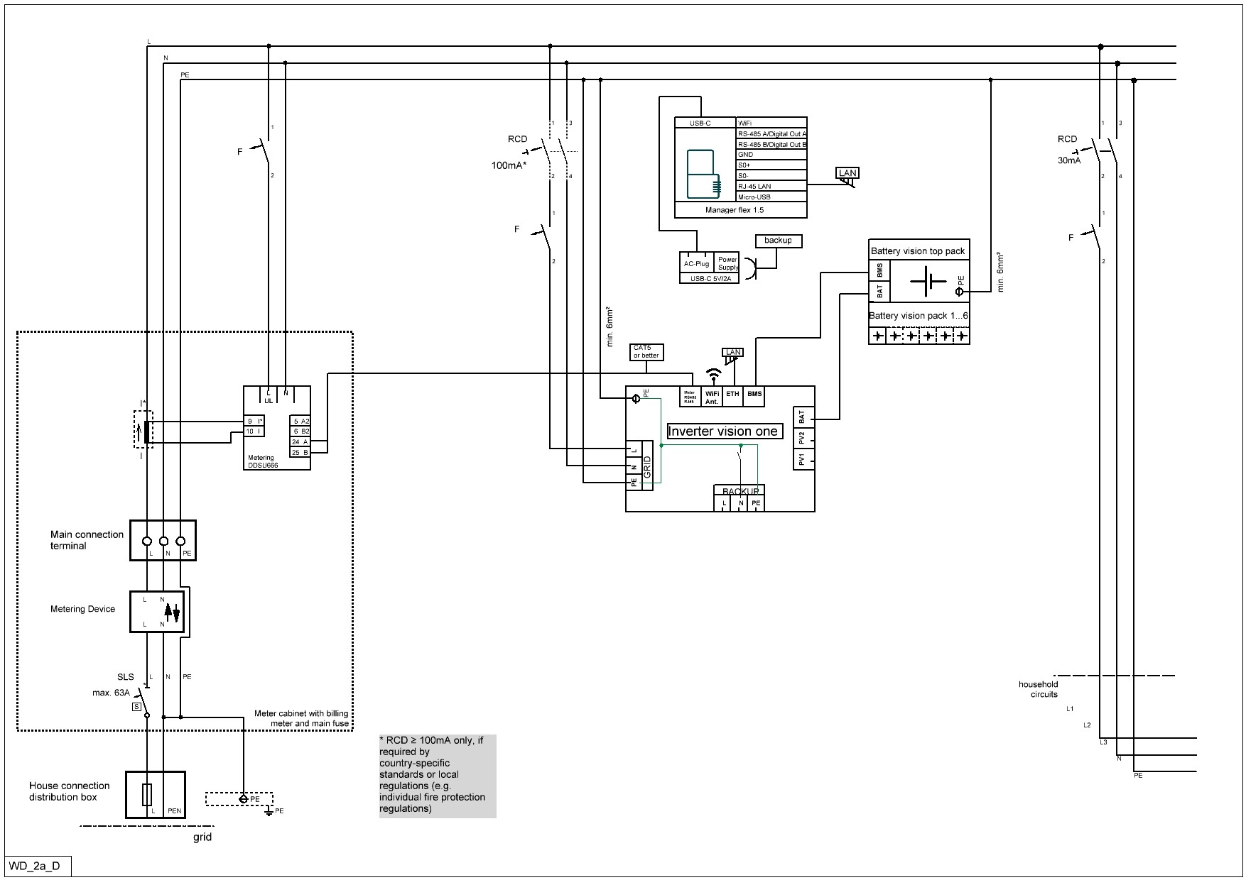
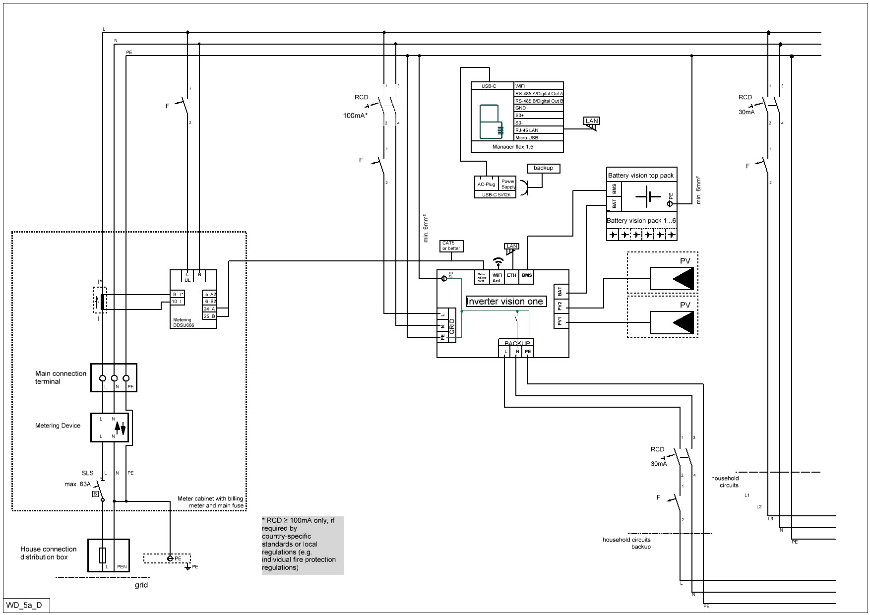
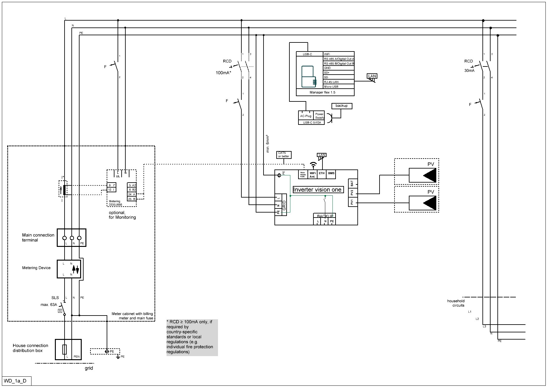
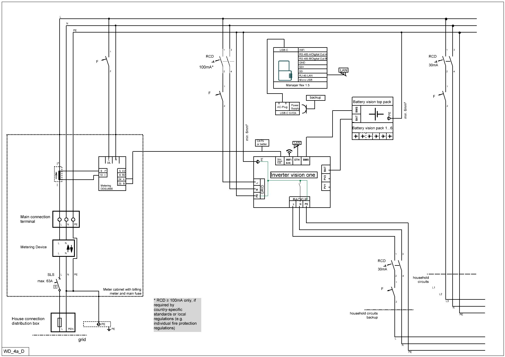
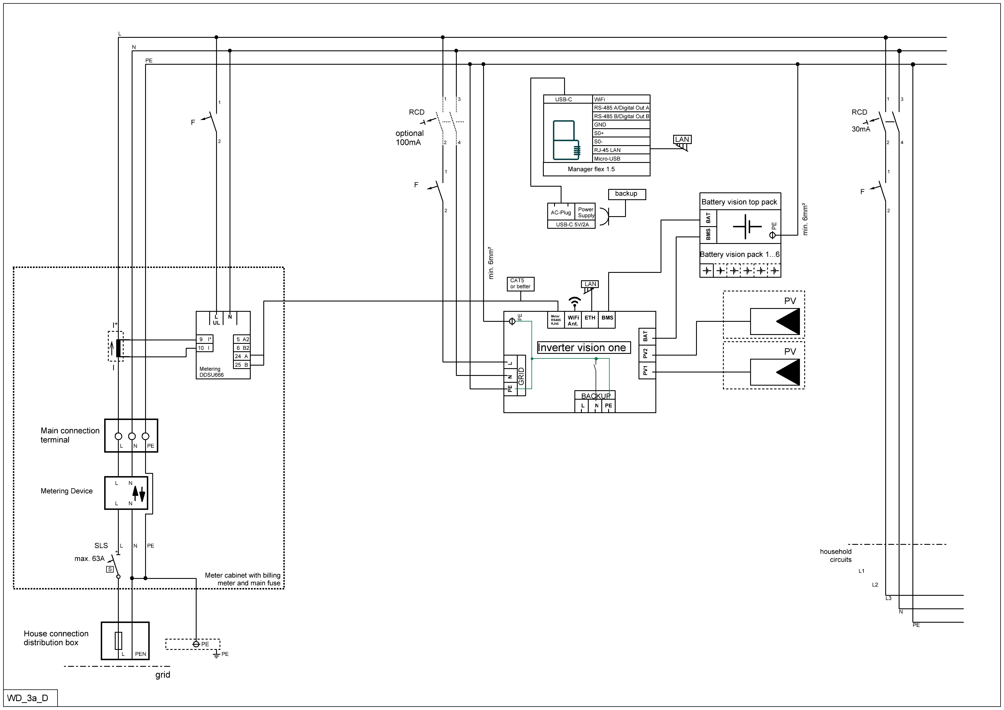
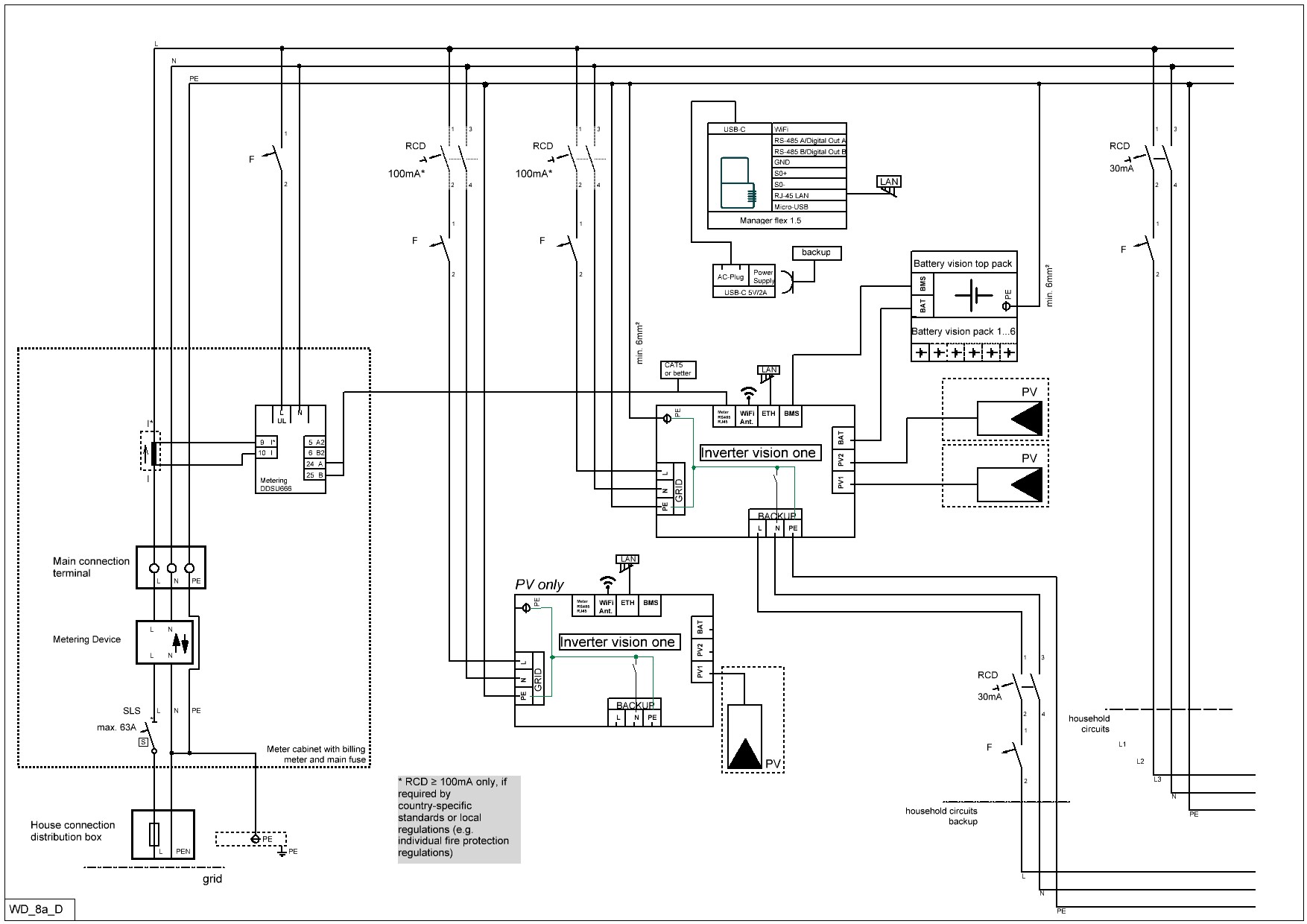
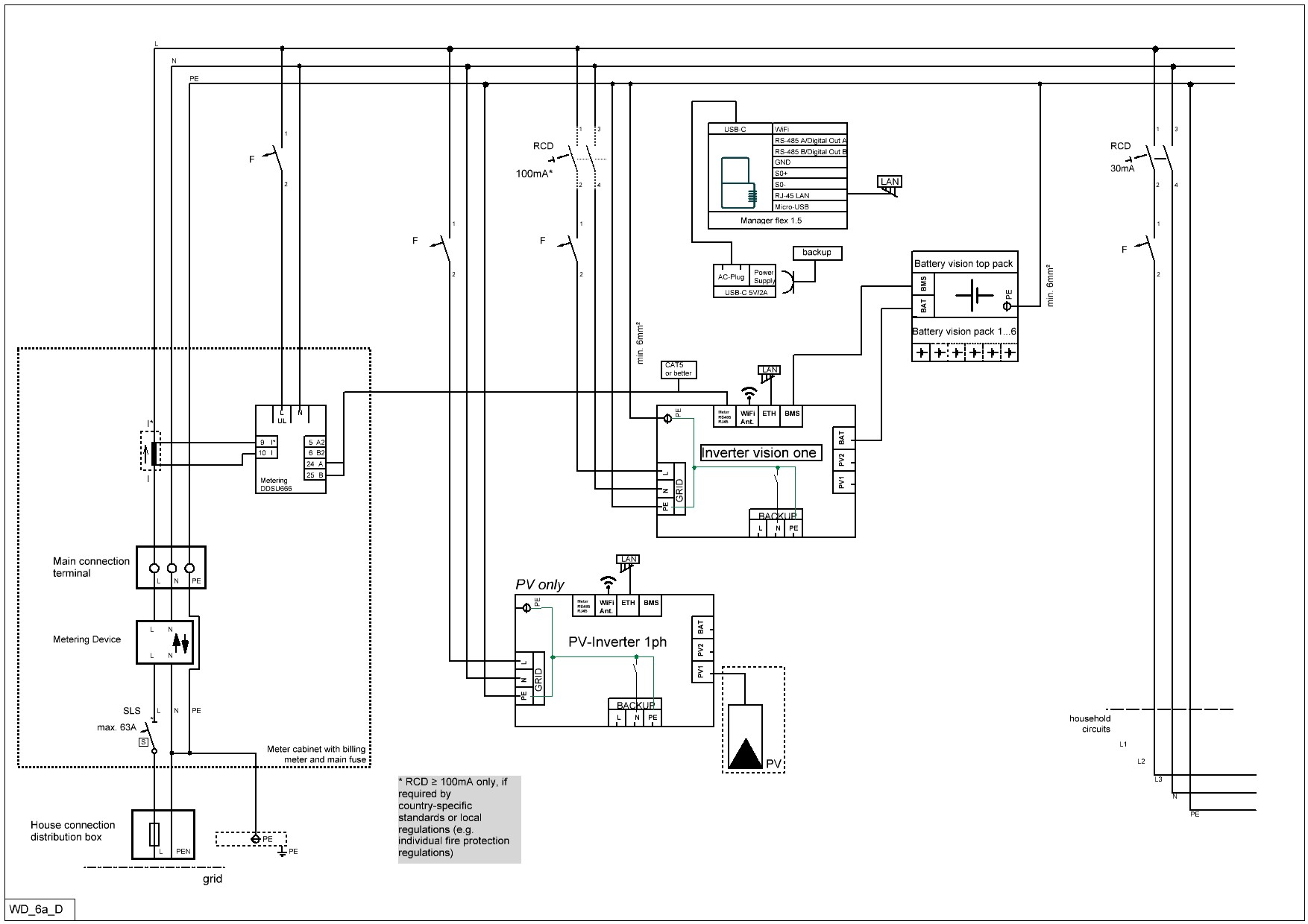
- Inverter vision one 1-phase grid
Inverter vision one 1-phase grid
General planning information
This information applies to all of the following application examples for the Inverter vision one.
Dimensioning information for inputs and outputs Inverter vision one
The terminals in the connection plug of the Inverter vision one are suitable for the following conductor cross-sections.
AC connection: 3-wire, 4.0 - 16.0 mm²
BACKUP connection: 3-core, 4.0 - 6.0 mm²
Using 3x6 mm², 3x10 mm² and 3x16 mm² as examples and taking into account the permissible voltage drop for PV generators [1%] and consumers [3%, calculated here proportionally at 2%], the following cable lengths can be achieved:
Overview for generators: 1% voltage drop, installation type B2
| Power class inverter [kW] | Max. AC input power [kW] | Length [m] for conductor cross-section [mm²]/max. fuse rating | ||
|---|---|---|---|---|
| 6²/C32 | 10²/C50 | 16²/C63 | ||
6 | 12 | not permitted | not permitted | 13 |
5 | 10 | not permitted | 10 | 16 |
4.6 | 9.2 | not permitted | 11 | 17 |
3.7 | 7.4 | not permitted | 13 | 20 |
3 | 6 | 10 | 16 | 26 |
Overview for consumers, proportional 2% voltage drop, installation type B2
| Power class inverter [kW] | Length [m] for conductor cross-section [mm²]/max. fuse rating | |
|---|---|---|
| 4²/C25 (only for hexagonal crimp) | 6²/C32 (only for hexagonal crimp) | |
6 | not permitted | 20 |
5 | not permitted | 23 |
4.6 | 17 | 26 |
3.7 | 21 | 32 |
3 | 26 | 39 |
Attention!
These specifications serve as a dimensioning aid and are determined based on specific assumptions regarding installation type (B2), cable accumulation (2) and ambient temperature (30 °C). The suitability of the recommended cables and fuses must be checked in each case based on the specific conditions.







